HT-1612M系列
HT-1612M系列GNSS模塊采用表貼封裝技術,基于聯發科技定位引擎技術,擁有尺寸精巧,功耗極低,定位快速,性能超強等特點,被廣泛應用于工業應用中。通過先進的AGPS(EASY?)軌道預測技術和省電模式(AlwaysLocate?技術),HT-1612M系列模塊性能高并且完全滿足工業標準。EASY?技術自動計算和預測長達三天的軌道信息,并將這些信息存儲到內部RAM存儲器中,即使在室內弱信號情況下
- 型號:
- 采用芯片:
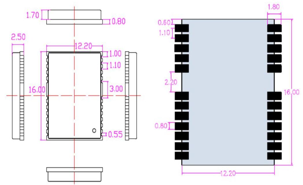
- 尺寸: 16.0×12.2×2.2(mm)
HT-1612M系列GNSS模塊采用表貼封裝技術,基于聯發科技定位引擎技術,擁有尺寸精巧,功耗極低,定位快速,性能超強等特點,被廣泛應用于工業應用中。通過先進的AGPS(EASY?)軌道預測技術和省電模式(AlwaysLocate?技術),HT-1612M系列模塊性能高并且完全滿足工業標準。EASY?技術自動計算和預測長達三天的軌道信息,并將這些信息存儲到內部RAM存儲器中,即使在室內弱信號情況下
HT-1612M系列GNSS模塊采用表貼封裝技術,基于聯發科技定位引擎技術,擁有尺寸精巧,功耗極低,定位快速,性能超強等特點,被廣泛應用于工業應用中。
通過先進的AGPS(EASY?)軌道預測技術和省電模式(AlwaysLocate?技術),HT-1612M系列模塊性能高并且完全滿足工業標準。EASY?技術自動計算和預測長達三天的軌道信息,并將這些信息存儲到內部RAM存儲器中,即使在室內弱信號情況下也能實現低功耗快速定位。AlwaysLocate?技術的運用,可以根據不同的環境狀況和運行模式,自動調節定位時間,在確保定位精度的同時大大降低了模塊功耗。
HT-1612M系列GNSS模塊憑借超小尺寸,超高精度和靈敏度,幾乎能滿足M2M客戶所有應用需求,尤其適合用于手持設備、車載、個人追蹤、安防、工業級PDA等領域。
HT-1612M系列型號對比 | ||||
型號 | 芯片 | GNSS支持 | 定位精度 | 電流 |
HT-1612M7 | MT3337 | GPS, QZSS, DGPS (RTCM) and AGPS | 3.5米CEP | 23mA @3.3V |
HT-1612M9 | MT3339 | GPS, QZSS, DGPS (RTCM) and AGPS | 3.5米CEP | 25mA @3.3V |
HT-1612M3 | MT3333 | GPS, GLONASS, GALILEO, BEIDOU, SBAS (WAAS, | 2.5米CEP | 35mA @3.3V |
HT-1612M尺寸圖:

units:mm dimension error ±0.2mm